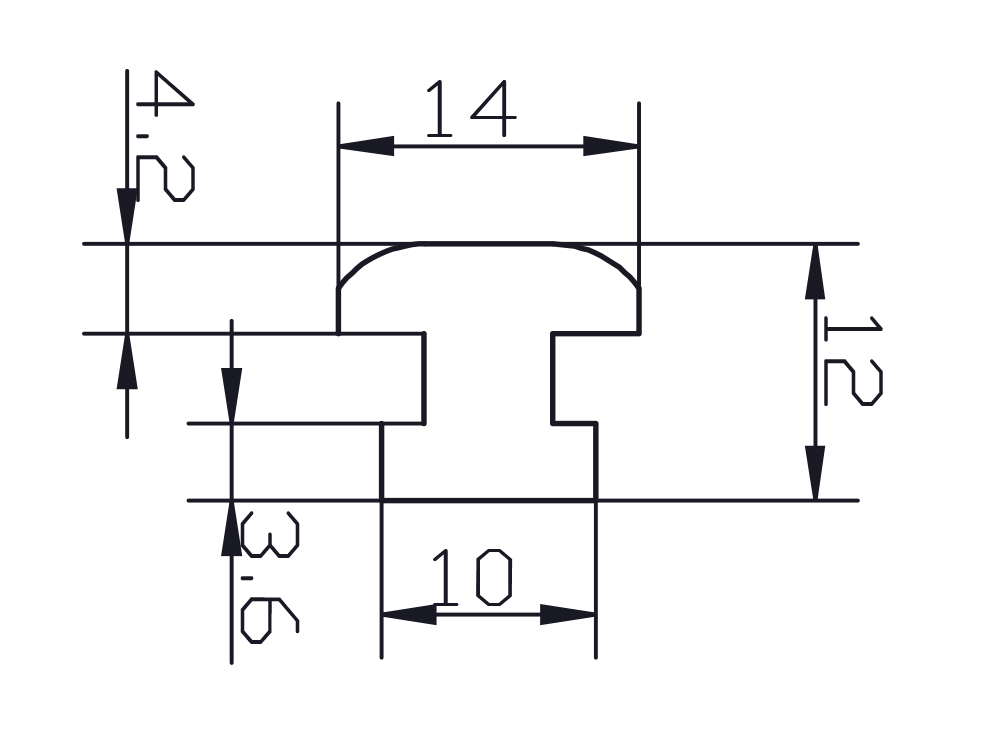
货物名称:三倍速垫条
货物编号:KFBS30GS1

  1. 1、适用于输送带与轨道之间的摩擦介质,有极好的自润滑效果。
  2. 2、配合输送轨道卡扣,防止脱落。
  3. 3、必要时需固定在轨道型材上,避免摩擦滑移。
型号 名称 材质 颜色 长度
m
KFBS30GS2-C1 侧边耐磨条A款(PE) PE 绿色 3
KFBS30GS2-C2 侧边耐磨条A款(碳钢) 碳钢 碳钢本色 2
KFBS30GS1 侧边耐磨条B款(PE) PE 绿色 3
KFBS30GCF F型盖板(PE) PE 黑色 3
KFBS30MS1-C1 大耐磨条(PE) PE 绿色 3
KFBS30MS1-C2 大耐磨条(碳钢) 碳钢 碳钢本色 2
KFBS30MS2-C1 小耐磨条(PE) PE 绿色/灰色 3
KFBS30MS2-C2 小耐磨条(碳钢) 碳钢 碳钢本色 2


上一篇:
下一篇: