货物名称:3倍速链条
货物编号:BS30-C212AG18-80L

  1. 1、适用于汽配、新能源及电子自动化生产线。
  2. 2、用于重型或大型的工件托盘。
  3. 3、堆积滚子链,易于实现积放输送。
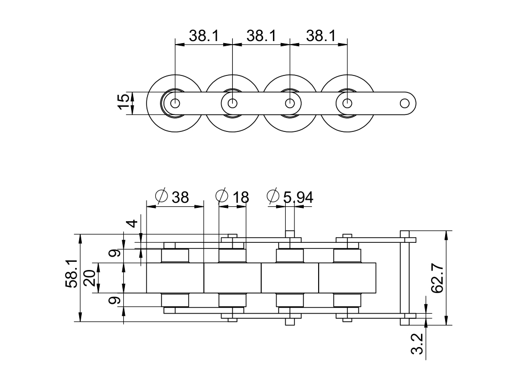
型号 名称 节距 材质 滚子直径 滚轮直径 销轴直径 重量
mm 主体B 中间滚轮 mm mm mm kg
BS30-C212AG18-80L 三倍数链条 38.1 碳钢 碳钢 18 38 5.94 5.7
BTS30-C212A-80L 三倍数链条(分体实心轮) 尼龙PA 2.15
BTS30-C212AH-80L 三倍数链条(一体空心轮) 尼龙PA 2


上一篇:
下一篇: