货物名称:145水平弯头
货物编号:KFB145HB30R500

  1. 1、适用于145输送梁系列,作为水平面转弯轨道部件。
  2. 2、配合塑料垫片卡扣,防止脱落。
  3. 3、外侧双层凹槽,内层用于连接条型材对接,外层可布置紧固件。
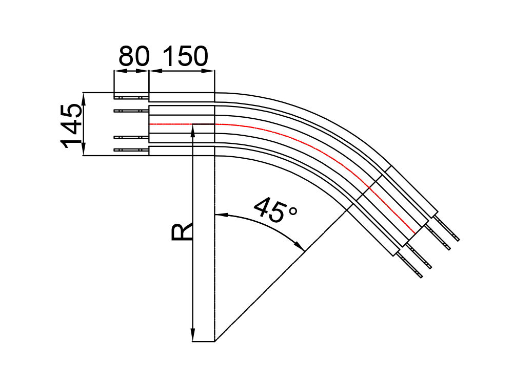
型号 角度 半径 材质 适应链板宽度
145水平弯头 mm mm
KFB145HB30R500 30° 500 A6063 140
KFB145HB30R700 700
KFB145HB30R1000 1000
KFB145HB45R500 45° 500
KFB145HB45R700 700
KFB145HB45R1000 1000
KFB145HB60R500 60° 500
KFB145HB60R700 700
KFB145HB60R1000 1000
KFB145HB90R500 90° 500
KFB145HB90R700 700
KFB145HB90R1000 1000
KFB145HB180R500 180° 500
KFB145HB180R700 700
KFB145HB180R1000 1000


上一篇:
下一篇: