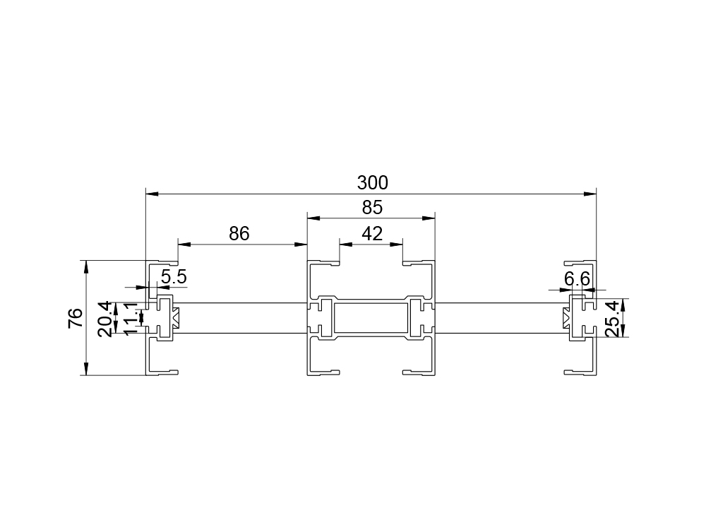
货物名称:300柔性输送梁
货物编号:KFSCB300

  1. 1、适用于各款输送链的直线部分轨道。
  2. 2、配合塑料垫片卡扣,防止脱落。
  3. 3、两侧双层凹槽,内层用于连接条型材对接,外层可布置紧固件。
  4. 4、此产品不含垫片。
型号 名称 材质 宽度 长度 适应链板宽度
mm m mm
KFSCB300 300柔性输送梁 A6063 300 3 295


上一篇:
下一篇:300输送梁活接