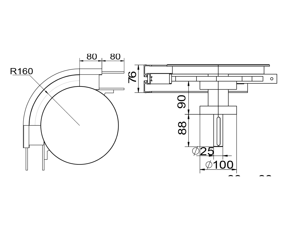
货物名称:85-90°轮弯驱动装置
货物编号:KFME090R160-RV50

  1. 1、适用于KF-M 83输送链系列,作为输送链驱动装置。
  2. 2、伸出连接条可直接对接输送轨道,安装便捷。
  3. 3、电机减速机可直接对接法兰使用,电机较重时需考虑支撑。
  4. 4、此驱动标准轴为18/25轴。
型号 转弯半径 适应链板宽度 减速机型号
85-90°轮弯驱动装置 mm mm
KFME090R160-RV50 160 83 RV50


上一篇:85不锈钢从动
下一篇:85-180°-轮弯驱动装置