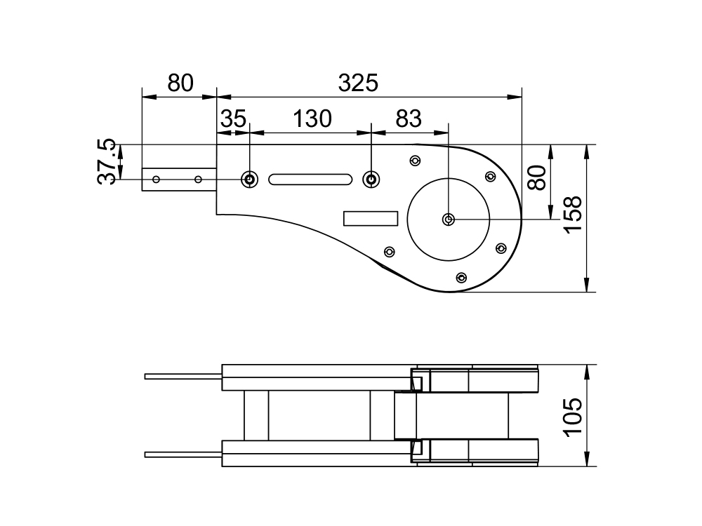
货物名称:105不锈钢从动
货物编号:KFHEJS325

  1. 1、适用于KF-H 103输送链系列,作为尾部从动端装置。
  2. 2、伸出连接条可直接对接输送轨道,安装便捷。
  3. 3、从动轮材质为注塑轮或机加工轮。
型号 材质 适应链板宽度
105不锈钢从动 主体 驱动轴 mm
KFHEJS325 SUS304 Cr13 103


上一篇:105塑料从动
下一篇:105-90°轮弯驱动装置