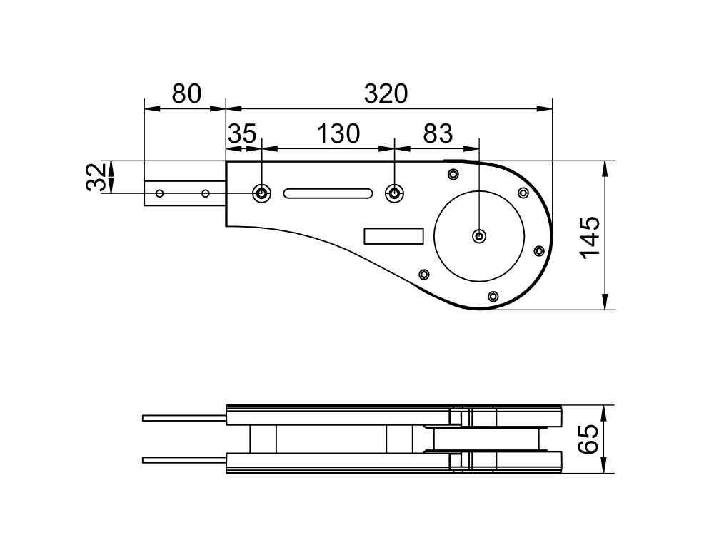
货物名称:65从动
货物编号:KFLEJ320

  1. 1、适用于KF-L 63输送链系列,作为尾部从动端装置。
  2. 2、伸出连接条可直接对接输送轨道,安装便捷。
  3. 3、从动轮材质为注塑轮或机加工轮。
型号 适应链板宽度 材质 表面处理
65从动 mm
KFLEJ320 63 ADC12 喷塑


上一篇:65塑料驱动(加长款)
下一篇:65塑料从动