搜索产品...
首页
关于我们
产品中心
输送机设备选型
柔性链输送系列
单倍速链系列
2.5 倍速链系列
3 倍速链系列
同步带输送系列
片基带输送系列
平顶链输送系列
网带链输送系列
弯板链输送系列
铝型材支撑梁
新闻中心
联系我们
65驱动
首页
>
产品中心
>
柔性链输送系列
>
柔性链驱动
>
65驱动
>
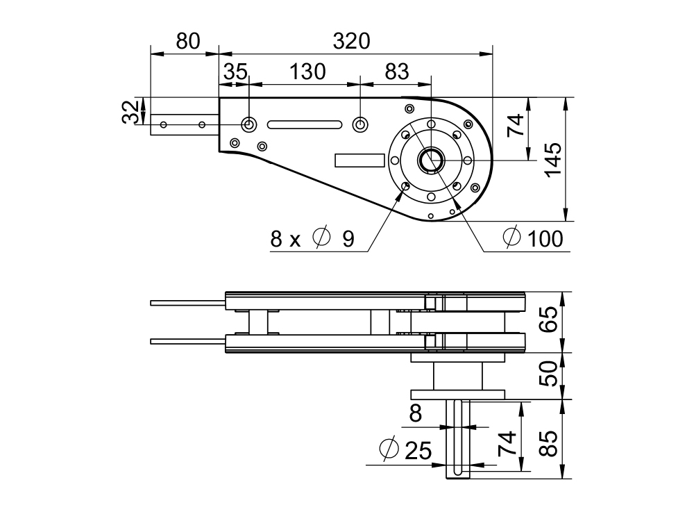
货物名称:65半封驱动
货物编号:KFLEB-RV50
2025-12-11
1、适用于KF-L 63输送链系列,作为输送链驱动装置。
2、伸出连接条可直接对接输送轨道,安装便捷。
3、电机减速机可直接对接法兰使用,电机较重时需考虑支撑。
4、此驱动标准轴为18/25轴,驱动轮材质为注塑轮或机加工轮。
型号
材质
适应链板宽度
减速机型号
表面处理
65半封驱动
主体
驱动轴
mm
KFLEB-RV50
ADC12
Cr13
63
RV50
喷塑
上一篇:
65全封驱动
下一篇:
65不锈钢驱动
产品类别
输送机设备选型
柔性链输送系列
单倍速链系列
2.5 倍速链系列
3 倍速链系列
同步带输送系列
片基带输送系列
平顶链输送系列
网带链输送系列
弯板链输送系列
铝型材支撑梁