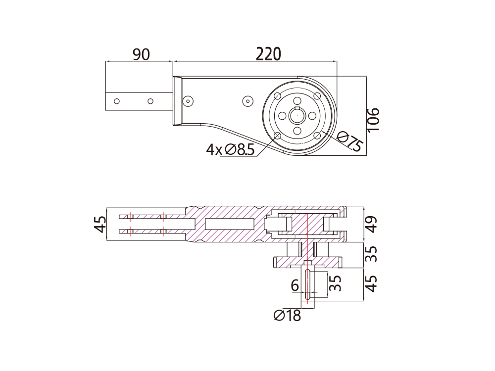
货物名称:45塑料驱动
货物编号:KFSEB220-RV40

  1. 1、适用于KF-S 43输送链系列,作为输送链驱动装置。
  2. 2、伸出连接条可直接对接输送轨道,安装便捷。
  3. 3、电机减速机可直接对接法兰使用,电机较重时需考虑支撑;可加离合。
  4. 4、驱动轮材质为注塑轮。
型号 材质 适应链板宽度 减速机型号 表面处理
45塑料驱动 主体 驱动轴 mm
KFSEB220-RV40 PA6+Gf30% Cr13 43 RV40 喷塑


上一篇:45不锈钢驱动
下一篇:45塑料驱动(加长版)